在线铜板外观检测


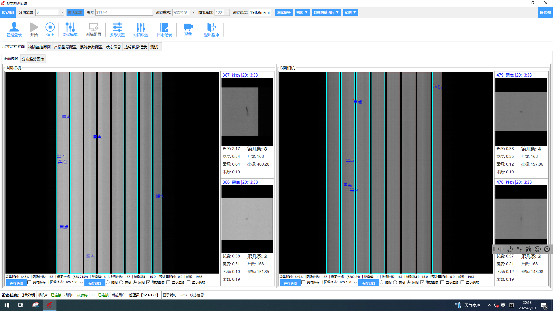
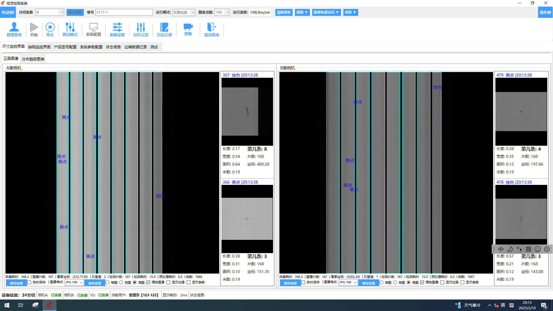
运行界面

运行界面1.PNG


运行界面1.PNG


适应产品范围及设备工艺参数

名称

幅宽范围(mm)材料厚度(mm)速度(m/min)分切后宽度(mm)安装位置产品牌号
铜带300~4600.5~3.5

≤100

不分切酸洗后(弱酸环境)

C19210、C19400、TK系列


视觉检测系统性能

名称性能参数

缺陷分类准确率

90%

优率

漏判率1%

缺陷检测精度

缺陷最小检测面积0.1mm2

数据统计

记录不良品数据并进行统计(同时具备可导出编辑Excel数据),检测数据可满足上传MES;数据需满足在本地硬盘保存一年以上。具备统计并存储起始标记和终止标记内的数据功能

检测结果输出

配备液晶显示器、打印机、缺陷图片分类存储、I/0控制输出及报警

AI辅助算法

配备独立显卡、采用AI算法模型,提高计算速度及缺陷检测准确率。

缺陷标记系统

发现缺陷可自主选择进行声光报警

标准工装

提供标准调试工装、校验工装与相关量具、光源为水冷系统,保证系统的检测精度

缺陷显示

具备缺陷地图功能,实时显示被检品的缺陷图片、缺陷发生位置、缺陷尺度等信息。不同缺陷用不同颜色表示。